国家强标《中小学校教室采光和照明卫生标准》正式发布
2025-11-20
中国照明网报道

2169
导语: 近日,国家疾控局组织修订的《中小学校教室采光和照明卫生标准(GB 7793-2025)》获国家市场监督管理总局(国家标准化管理委员会)批准发布。该标准为强制性国家标准,将于2026年11月1日起正式实施。
近日,国家疾控局组织修订的《中小学校教室采光和照明卫生标准(GB 7793-2025)》获国家市场监督管理总局(国家标准化管理委员会)批准发布。该标准为强制性国家标准,将于2026年11月1日起正式实施。
标准修订迫在眉睫
目前,我国儿童青少年近视检出率高居不下,并呈现出低龄化趋势。根据国家疾病预防控制局监测数据显示,2022年我国儿童青少年总体近视率为51.9%,其中小学36.7%,初中71.4%,高中81.2%。 中小学生处于生长发育的重要时期,每天约有6~8个小时在学校学习。教室是学生进行读写作业的重要场所,教室光环境对儿童青少年的视力水平、近视发生发展具有重要影响作用。
《中小学校教室采光和照明卫生标准》对教室采光和照明提出了卫生要求,在学校卫生管理、学生疾病防控和学校卫生监督工作中广泛应用,为促进中小学校教室采光和照明条件改善、保护儿童青少年视力健康发挥了重要作用。但是,由于近年来使用范围的扩大、政策法规的调整、相关标准的发布,以及国家和社会对教室采光照明环境要求的提高,需要对该标准进行修订。
新标准做出如下修订
此次标准修订聚焦教室采光照明环境的优化升级,核心变化主要体现在“更全面、更科学、更优化” 三个维度:
一、指标覆盖更全面。
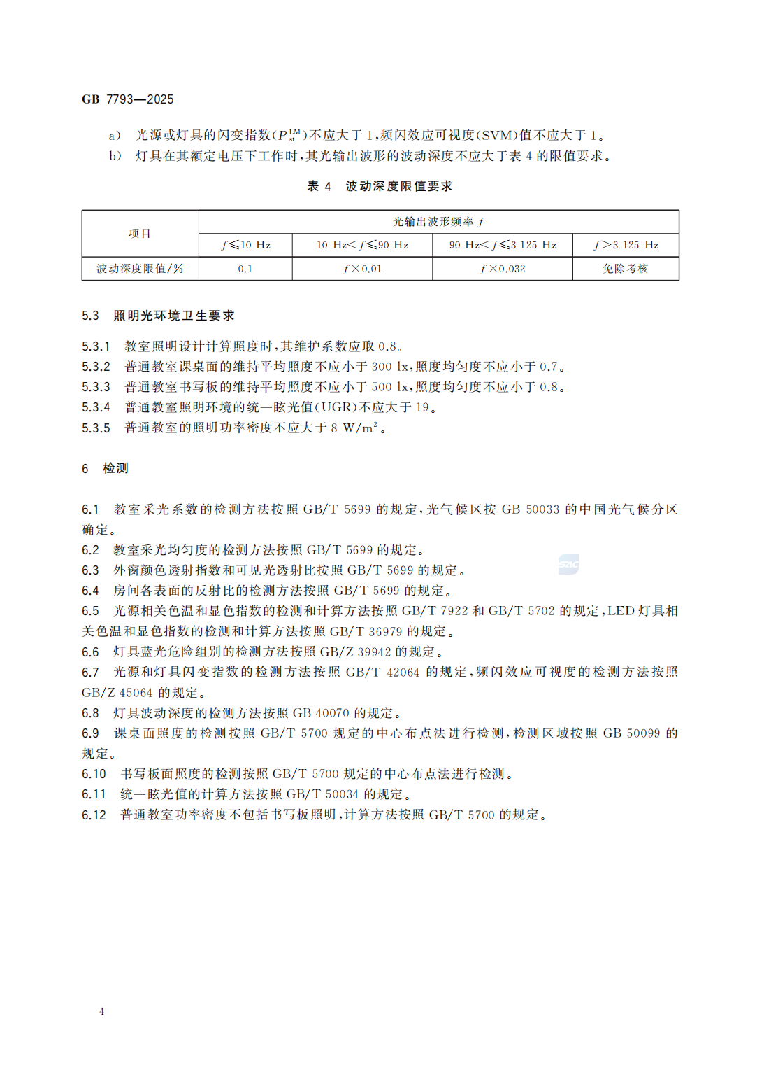
为填补此前标准的空白,新版标准新增多项关键指标要求,具体包括:采光均匀度,确保教室内不同区域光线分布均衡;冬至日满窗日照时间,保障冬季教室获得充足自然光;玻璃颜色透射指数与可见光透射比,规范教室玻璃的光学性能;书写板照明灯具控制装置,提升板书照明的可调节性;视网膜蓝光危害限值,降低强光对学生视网膜的潜在伤害;同时还新增波动深度、闪变指数、频闪效应可视度指标,有效规避照明频闪对视力的不良影响。
二、标准设定更科学。
新版标准不仅更新了适用范围,使其更贴合当前中小学办学实际,还对多项原有指标进行修订完善:在采光环节,优化采光方向、采光系数及窗地面积比的要求;在照明控制上,细化眩光控制措施,明确教室各表面(如墙面、地面、天花板)的反射比标准;在照明质量方面,规范照明色温和显色指数参数,限定照明功率密度;此外,还对采光照明的测量方法进行了统一和优化,确保标准执行的可操作性。
三、技术应用更灵活。
为适配照明技术的发展趋势,新版标准删除了“采用三基色荧光灯、节能电感或电子镇流器” 等限制性要求,为 LED 等新型照明技术在教室中的应用留出空间,既鼓励技术创新,也能更好地满足不同学校的实际需求。
本次修订不仅是对原有技术指标的优化升级,更是应对新时代青少年视力保护与健康成长需求的战略性举措。新标准进一步科学规范教室光环境,体现了从过去“有光可用”向现在“有好光用”的质的飞跃。此次修订强化了教室光健康的底线约束,以更严格的强制性要求,为全国中小学生营造更加安全、舒适、健康的光环境提供了法规保障,是国家健全学校卫生标准体系、扎实推进青少年近视防控工作的重要里程碑。







编辑:严志祥
来源:健康开化
【版权声明】
1.凡注明来源∶"中国照明网"的文章,版权均属中国照明网所有,任何媒体、网站或个人未经授权不得转载、链接或以其他方式复制发布。
2.凡第三方提供的稿件资料或转载的文章,目前在于传递更多信息及用于网络分享,并不代表本网赞同其观点和对其真实性负责。
3.鉴于本网发布稿件来源广泛、数量较多,如著作权人发现本网转载了其拥有著作权的作品时,请主动与本网联系,本网将及时修改或删除。
热门文章 换一换
- 1明日开播!欧普浴霸漠河极寒挑战终极预告
- 2欧普照明SDL智慧光谱荣登2025年《财富》中国最佳设计榜单,引领智慧照明新趋势
- 3宜美照明发布全光谱灯具,以自然之光守护双眼健康
- 4武汉大学联合欧普照明全球首发SDL淡彩光情绪图谱,引领彩色照明标准化
- 5江西好委托工程技术有限公司关于永丰县城镇路灯节能更新改造项目(一期)(项目编号:JXHWT2025-G0923)电子化公开招标公告-采购/资审公告
- 6出圈秘诀!2025年最值得关注的七大文旅夜游灯光设计手法
- 7卫辉市城区路灯照明系统智慧化升级改造及能源托管项目-采购/资审公告
- 8南庄镇主干道路灯照明设施修复提升项目(第二期)施工第一标段中标结果公示-交易结果公示
- 9浙江耀信工程咨询有限公司关于2025年仙居县经济开发区园区路灯照明设施养护项目的公开招标公告
- 10嘉善县姚庄镇俞北村道路硬化及亮化项目招标公告
- 11天津市南开区城市管理委员会机关政府采购意向公告-2026年南开区奥体周边(迎全运)夜景灯光设施运维项目
- 12杭州湾大桥重点路段照明设备改造工程-交易结果公示
- 13保山市隆阳区城市照明设施能源费用托管与综合管养项目公开招标公告
- 14萝北县城镇建设服务中心萝北县北环路路灯亮化工程中标(成交)结果公告
- 15双拥双退中心LED屏的公开招标公告-采购/资审公告
- 16G234兴阳线(冯家口至曹家庄变电站段)路灯设施项目招标公告
- 17降本获利 能源优化|三星照明科技用户侧储能解决方案
- 18上海市城市综合管理事务中心(上海市地下管线监察事务中心)2025年11月政府采购意向-市管道路照明ACU设施日常维护














廖小姐
中国照明网网友交流群:2223934、7921477、9640496、11647415